Защита на група от проводници (№5)

Хенкел България · Публикувано на · Обновявана

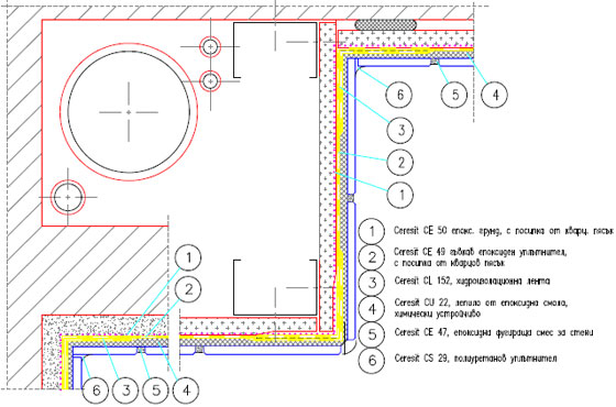
Хенкел България
Хенкел е лидер със своите марки и технологии, които правят живота на хората по-лесен, по-добър и по-красив! Хенкел Груп се гордее с повече от 130 години история. От малка семейна фирма в миналото, днес Хенкел е концерн, който има над 55 хил. служители и 75 дъщерни компании, развива своята дейност в повече от 125 страни на пет континента. Компанията е водещ световен производител на лепила и строителни материали и предоставя на професионалистите от цял свят необходимите продукти и системни решения. Материалите с марката Ceresit са синоним на високо качество, напълно отговарящи на високите изисквания на строители, проектанти и дизайнери. Съвременните рецептури и производствени методи, както и непрекъснатата изследователска и развойна дейност осигуряват постоянно високото качество на продуктите и са гаранция за опазването на околната среда.
Сен-Гобен България – Вебер · Published 23.03.2020 · Last modified 24.02.2026
